qy球友会(中国)
产品中心
服务与支持
解决方案
新闻动态
关于qy球友会(中国)
联系qy球友会(中国)
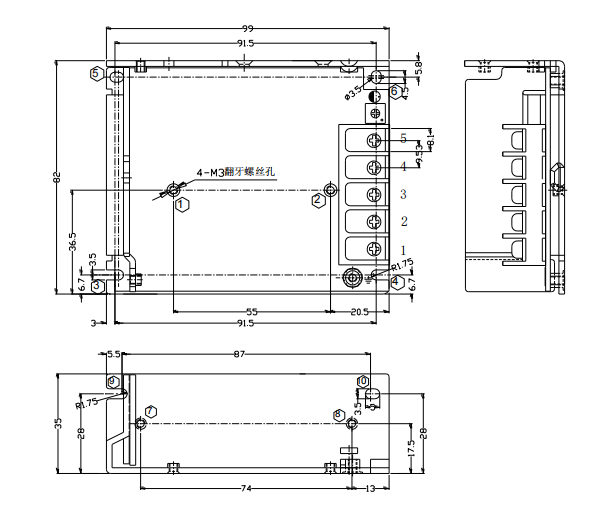
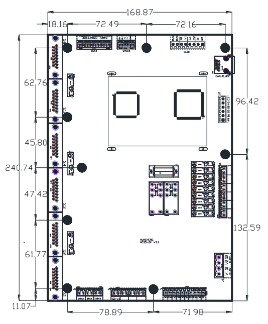
注塑机械手控制系统系列为HC-S3/HC-S5型号产品,安装时尺寸图如下。
HC-S5主控板安装尺寸图:
HC-S3主控板安装尺寸图:
I/O板安装尺寸图:
开关电源安装尺寸:
版权所有 © 深圳市qy球友会(中国)工业控制股份有限公司 未经许可不得复制、转载或摘编,违者必究 版权声明
Copyright © Shenzhen Huacheng Industrial Control Co., Ltd. All Rights Reserved.
网站ICP备案号: 粤ICP备19106162号
技术支持:新新网络
咨询电话
13924666952
400-158-1606
官方客服微信