HC-S3/HC-S5机械手控制系统端口定义及接线图说明-qy球友会(中国)机械


qy球友会(中国)

HC-S3/HC-S5机械手控制系统端口定义及接线图说明

[ 发布日期:2021-08-30 ] 来源: 【打印此文】 【关闭窗口】

HC-S3/HC-S5为标准系列注塑机械手控制系统,机械手控制系统都配备了主控制板与I/O板。

HC-S5机械手控制系统的主控制板的端口定义:



HC-S5 I/O板端口定义:


备注:输入、输出信号均为NPN型,OV信号有效。极限为常闭点,其他为常开。


HC-S3主控制板的端口定义:



HC-S3 I/O板端口定义:


备注:备用输入、备用输出的详细用法请详询技术支持,M1、M2为电动调位使用。


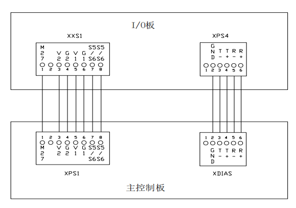
HC-S3/HC-S5主控制板与I/O板的接线图如下:



控制面板与主控制板的接线端子线序图:


版权所有 © 深圳市qy球友会(中国)工业控制股份有限公司 未经许可不得复制、转载或摘编,违者必究  版权声明

Copyright © Shenzhen Huacheng Industrial Control Co., Ltd. All Rights Reserved.

网站ICP备案号: 粤ICP备19106162号

技术支持:新新网络

咨询在线客服

咨询电话

13924666952

400-158-1606

官方客服微信